ປະເພດ:100A ໄລຍະດຽວ 4P rail latching relay ປະເພດ
ອັນດັບປັດຈຸບັນ:100A
ແຮງດັນໄຟຟ້າ:6VDC-48VDC
ຄວາມຕ້ານທານຂອງຕົວຢ່າງ:200 ໄມໂຄໂອມ (μΩ)
ວິທີການຕິດຕັ້ງ:ການຕິດຕັ້ງລົດໄຟມາດຕະຖານ DIN
ຊ່ວງອຸນຫະພູມປະຕິບັດການ:-20°C ເຖິງ 60°C
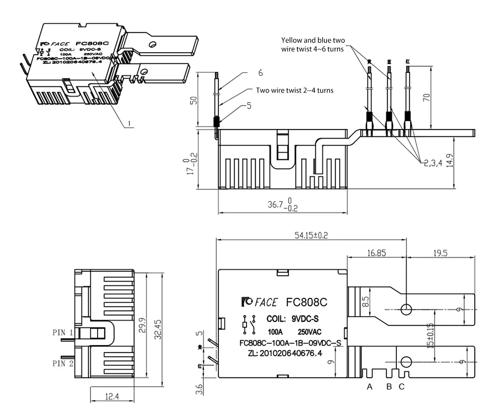
ຂະໜາດ:ເບິ່ງຮູບແຕ້ມຜະລິດຕະພັນສໍາລັບຂະຫນາດສະເພາະ




















